The data center led by the telecommunications and financial industries, has exposed some drawbacks in supporting infrastructure during years of large-scale construction and operation: large-size coverage area, high energy consumption, hard maintenance and management, high cost and so on construct a new generation of data centerwhich should be, based on the existing resources, along-term planning of future has become the focus of the industry. Therefore, the data room modular programming presentedby the industry is a good solution to the drawbacks of the traditional room. However, compared tothe development of data center modular, the supply of power has not been guaranteed yet whichcontinues to use traditional UPS power supply mode ,with no qualitative change. More and more problems appears in terms ofreliability, safety and high energy consumption in traditional UPS power supply mode. That has become a bottleneck for the development of module data room. In,order to solve this problem, the author hereproposes a new solution in this article: modular data center & high voltage DC power supplywhich is designed to make data center avoid the drawbacks in traditional roomat most.
Modular computer room combines the IT cabinet, air conditioning, power distribution cabinets, cabinets and cabinet wiring together. In addition,, there is the skylight at the top, andchannel closed doors at both sides. By doingso, it can solve the problems of heat dissipation with high densityand realize an integration scheme with intelligent management, dense deployment, green energy and flexible expansion.
First.Traditional UPS Power Supply
(1) Traditional UPS Power Supply Scheme
The server device commonly use AC input powerwhose voltage is 220Vand single-phase AC power supply of 50Hz. Therefore,IDC room generally adopts UPS AC power supply scheme.UPS power system consists of rectifier, invertr, battery and static switch etc. City electric AC power will be transformed to DC power andsupply power toinverter through rectifier when in normal. Also,at the same time it can charge the batteryand the, inverter converts DC power to 50Hz AC loadfor supply. In the case of power failure, the battery discharges energy, supply AC power supply through the inverter for continuing load. The basicstructure of UPS power supply system is showed in figure 1 as follows:
Figure 1: traditional UPS power supply scheme
In order to improve the reliability of power supply device, usually multiple UPS redundancy parallel wayis adopted, namely N+1 system. For some important dual power supply load, double dual bus redundancy systemmade up oftwo sets of (N+1) UPS system of parallel power supply scheme will be applied. It offers a high sense ofreliabilityinpower supply.
(2) Drawbacks of UPS Power Supply System
① LowLoadRateand Low Rate of EquipmentUtilization
In order to improve the reliability, multiple parallel machinesare adopted. However, this approach will lead tolow load rateandlowrate ofequipmentutilizationinactualsituation. For example,themaximum load rate of 1+1 redundant UPS is only 50%. In addition,the low load rateof loading alsobrings low efficiency.
②Bottleneck ofSinglePointFailurein the System
From Figure 2, we can clearly see thatbattery, inverterandthe loaderareconnected in series. In that way,any failureof individual equipmentwill bring the risk of power offin the entire system..
③Time-Consuming Equipment Maintenance
Considering that the system is notassembledin the way of modular, itsmaintenance is still at the level of circuit and components separately which is to say the maintenance will be time-consuming.④Poor Battery Managementand Short Life of Back-up
The core of UPS is inverter with the charger as auxiliary part .Therefore, the function of the charger is not as strong as the specially-designed ones with high frequency of switching.
⑤Difficulty in Standardization
Especially in high power UPS, production is still hand-assembled, so that each of the equipment has large discretenessand every piece of equipment on site needsto beseparates debug.
Second.High Voltage DC Power Supply Scheme
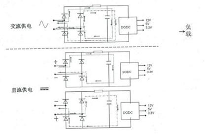
Now, high-frequency switching power supplyis universally adopted within all IT devices,which canchangethe AC external input into DC internal electronic circuit. Andfinally the DC power will beconversedto 12V, SV, 3.3V low voltage DC powerandsupply to the IT device. There is no relationship about whether AC powerissuppliedor notin the first process. The working principleofswitching power supply in IT equipment,both in the AC and DC power supply state, as shown in figure 2.
Figure 2: high voltage DC power supply scheme
The Advantage of High Voltage DC Power Supply
①Improve reliabilityby ling rectifier and battery for the back-end load power supply.
②Improve the efficiency of the systemwhich meets the requirement for energy-saving andemission reduction.
③Easy for expansion and maintenancedue to the modular configuration.
④DC outputeliminates the risk of harmonic and zero voltage on the back-end equipment.
⑤The input and output is completely isolatedwhich will avoid disturbing the back end load.
(2) Benefits of Replacingthe AC UPS withthe DC power supply system
①the inverter circuitis simplified,reliabilityis improved, and the canceling of the AC UPS meanscanceling the inverter and the related supportingcircuit. In
addition,hardware circuit is simplified which reduces the frequency of the fault pointand also improves the reliability of power supply.
②Reduce engineering Iiinvestment and aintenance costs
At the same level,DC power systemwill be lower in cost, easier in maintenance and simpler in operation than the AC UPS system.
③The operation cost is greatly reduced.
During the operation, thanks forthe low-cost inmaintaining the power source and the contribution of energy-saving and emission reduction, the expenditure in terms of managing thetransformer, air conditioning, power quality managementand the the operation cost are both greatly reduced.
④Multiple parallel machines makes the entire system easier andsimpler
DC rectifier module adopts (N+M) old modelwhich will realize the necessary implementation of multi-computer redundancy backupand module with problemscan exit automatically which will avoid causing the power supplyoff ; when paralleled,machines in separate module will equally share the powerindependently so that the various parts of the system can work in the load balancing conditions,which will improve the stability of each module systemand ensure the running stability of power system. Rectifier module can realize hot-swap operation, which can handle or replace the part with problems in operation without affecting the function of other parts in the system. In this way, the maintenance is greatly simplified and it is easierfor new operators.DC power supply system adopts intelligent distributed power allocation modethat is to say the poweroutput of the entire system will be intelligently allocated toeach module configuration. Compared with the traditional AC UPS power supply whereall the output power is concentrated in the configuration mode of asingle equipment, the power supply reliability of DC power supply system will be significantly enhanced.
⑤Flexible System Configuration
Rectifier module can realize multi-machine redundancy configuration flexible (N+M), establishthe DC backup power supply system with different capacity according to the need of different users and set up the whole construction in stages.The system can be configured as a stand-alone system mode, multiple redundant hot standby mode, multi-computer redundancy cold standby modeetc. The rectifier module uses the modular productionwhich makes the system expansion easierand maintenance more convenient.
⑥Intelligent Battery Management
Lead-acid batteries usuallyused in the backup power supply system, are still the weak link in the system. The reason is that the production process of acid storage battery and its own characteristicsare uniquewhich will lead to certain problems after a period of operation, such as, the internal resistance of the battery internal resistance increasesor the internal resistance does not matchwith its designed function. If not promptly dealt with, these problems can cause further problems, including the abnormalityinthe standby power supply and even the ruining of the whole battery unit.Because there is no better products to replace lead-acid battery, so during the long period upcoming a long time, back-up power systems will still be filledwith lead-acid battery as the main energy storage medium.The efficient way to maintain a relatively long life time of the battery unit is to use it and regularly maintained in strict with thespecification of the given parameters. Reasonable and scientific use and timelymaintenance of the battery is an effective way of prolonging the life of battery. By adopting the DC power supply system,the charge and discharge of the battery can be done in an intelligent way. If we can conduct charge management and the discharge maintenance of the battery intelligently in accordance with the battery charging curve, the life time of the battery will be greatly prolonged and at the same time it will beeasier for users to maintain the system.The monomer battery inspection function possessed by the system can conduct real-time monitoring of the battery pack. In case of problems, it can immediately issue alarm to users for timely solutions. In this way, further problems can be effectively avoided, such as the scrap of the whole battery pack.
Third.Application of Modular Computer Room
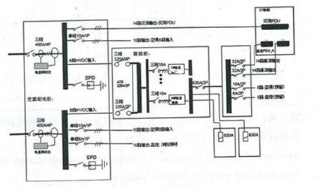
In computer room construction planning, we should adopt modular design and high density cabinet for network in order to improve the utilization rate of each network computer room.Thepower density of each network cabinet is 10KW, each module contains 10 network cabinets andthe total power of each module is equivalent to 100kW, with 15 minutes as backup time.
Planning
Power supply by each data module should be controlled by a set of power supply, and the exact position is shown in Figure 3 while the power supply schematic diagram is shown in figure 4.
Its advantages are as follows:
①Scattered power supply will lower risk;
②Regional division willfacilitate power management;
③Well-adapted and integrating the partial power supply into a whole realize the optimum allocation.
Figure 3: Position
Figure 4: Power supply schematic
(2) System configuration
① One AC screen:two AC input, with the total output voltage, current, power, RS485 statistics.
Body size: 200mm (deep) *800mm (W) *2200mm (high)
②One rectifier screen:two exchanges, the ATS input. Rectifier module specifications: 6kW module configuration 30, capacity to meet the 150kW output.
Body size: 1200mm (deep) *600mm (W) *2500mm (high)
③ One DC screen
Body size: 200mm (deep) *400mm (W) *2200mm (high)
Modular data center improve the safety and reliability of the system, efficiency to solve is problem to most data center efficiency, the building will be in the overall planning of new generation data center to be widely applied. In February 1, 2012, high voltage DC power industry standardissued a formal implementation, in order to clear the application of high voltage DC power supply in the communications industry, the last obstacle, while in the modular data center in the introduction of DC240V DC power supply system, with its small size, light weight, low power consumption, high efficiency, ripple small, low noise, easy expansion, replacement is good, stable performance, high intelligent degree of excellent characteristics, will bring a matter for the power supply of IT industry leap.





Copyright ? 2003 - 2023 . All Rights Reserved