·應用領域:
■通信系統;
■服務器系統;
■辦公自動化系統;
■機房網絡、服務器設備等。
·方案特點:
■性價比高:技術完整,整機利用率高,小投入即可完成設計需求;
■可用性強:UPS系統組成簡單,按供電類型可適用于所有保護性負載設備;
■利用率高:供電負載定量,無需考慮系統的后期擴容,可以不使用并機機型的UPS。
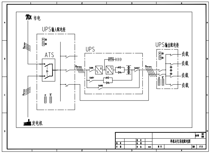
·單機運行方案:
隨著UPS核心技術發展,整機的性能日趨完善。用戶可以根據使用的負載類型(容性負載、阻性負載、感性負載)和實際負載功率,選擇類型相匹配和容量合理的UPS單機運行。
單機系統的組成由UPS主機、后備電池組+電池直流斷路器、相關的輸入、輸出配電系統,檢修維護配電,應急市電配電等。
·單機運行方案圖:
運行示意圖:

供電原理圖:





Copyright ? 2003 - 2023 . All Rights Reserved